Минимальная сумма заказа 1000 руб.
Актуальные сведения о наличии и сроках поставки товара уточняйте у наших специалистов
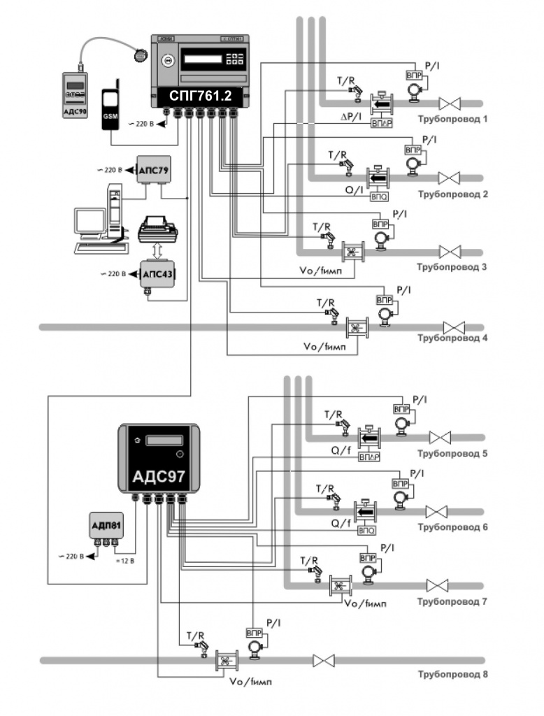
Пример применения корректора в составе измерительного комплекса показан на рисунке.

Рисунок. Измерительный комплекс на базе корректора.
Корректоры СПГ 761 соответствуют ГОСТ 30319.1-2015, ГОСТ 30319.2-2015, ГОСТ 30319.3-2015, ГОСТ 8.586.1 - ГОСТ 8.586.5, РД 50-411, ГОСТ Р 8.740-2011, МИ 2667-2011, МИ 3173-2008, ФР.1.29.2003.00885. Коэффициент сжимаемости газа вычисляется по уравнениям ВНИЦ СМВ, GERG-91 мод. и методу NX-19 мод.
Корректоры рассчитаны на работу совместно с датчиками расхода, объема, перепада давления, давления и температуры газа, а также, при необходимости, с датчиками плотности, влажности и удельной теплоты сгорания. Корректоры могут обслуживать до двенадцати трубопроводов.
Непосредственно к прибору могут быть подключены:Для модели 761.2 посредством адаптеров АДС97, подключаемых по дополнительному интерфейсу RS485, количество входов для подключения датчиков может быть увеличено.
Адаптер АДС97 имеет 4 входа для подключения датчиков расхода с импульсными выходными сигналами, 4 входа для подключения датчиков различного назначения с унифицированными токовыми выходными сигналами, 4 входа для подключения термопреобразователей сопротивления.
К корректору СПГ761.2 можно подключить один или два адаптера АДС97.
Корректоры осуществляют непрерывный контроль входных электрических сигналов и параметров потока газа. Любые недопустимые отклонения параметров и сигналов от нормы фиксируются в архиве диагностических сообщений с привязкой по времени. Средние и суммарные значения измеряемых и вычисляемых параметров заносятся в архивы, причем с привязкой к расчетному дню и часу.
Существует три типа архивов, имеющие различную глубину хранения:
В специальных архивах ведется учет полного времени работы, перерывов электропитания и изменений настроечных параметров.
Приборы имеют два уровня защиты данных: пароль и защищенный пломбой механический переключатель. Время последнего включения и выключения переключателя защиты данных фиксируется программой прибора и не может быть изменено пользователем.
Для реализации коммуникационных возможностей приборы снабжены интерфейсами: RS232C, оптическим по стандарту IEC1107, одним (мод.761.1) или двумя (мод. 761.2) RS485. Максимальная скорость обмена данными по всем интерфейсам равна 57600 бод.
Второй интерфейс RS485 в модели 761.2 предназначен, главным образом, для подключения адаптеров - расширителей АДС97, но может применяться и для объединения приборов в сеть.
Программные средства СПСеть®, ПРОЛОГ, ОРС-сервер «ЛОГИКА» поддерживают обмен данными с приборами. Программа ТЕХНОЛОГ поддерживает их в части автоматизации процедур поверки.
Метрологические характеристики
Погрешность при рабочих условиях не превышает:
Эксплуатационные характеристики
Относительная влажность: 95% при 35 °C.
Степень защиты от воды и пыли: IP65.
Габаритные размеры: 244 x 220 x 70 мм.
Электропитание: 220 В ± 30%, 50 Гц.
Потребляемая мощность: 7 В•А.
Срок службы: 12 лет.
Межповерочный интевал: 4 года.
Гарантия: 5 лет.
Для покупки товара B2B портале выберите понравившийся товар и добавьте его в корзину. Далее перейдите в Корзину и нажмите на «Оформить заказ» или «Быстрый заказ».

- Когда оформляете «Быстрый заказ», напишите ФИО, телефон и e-mail, укажите Ближайший к вам офис. Заказ оформлен. По результатам оформления товара вам придет подтверждение на почту или через СМС. Теперь останется только ждать доставки и радоваться новой покупке. Не переживайте, если возникнут спорные моменты мы обязательно свяжемся с вами и уточним их.
- Оформление заказа в стандартном режиме «Оформить заказ» выглядит следующим образом. Заполняете полностью форму по последовательным этапам: адрес, способ доставки, оплаты, данные о себе. Советуем в комментарии к заказу написать информацию, которая поможет курьеру вас найти. Нажмите кнопку «Оформить заказ».

Большая просьба, при оплате наличными приготовить точную сумму денег без сдачи.
Перед тем, как курьер отдаст Вам товар он обязан:
- продемонстрировать Вам внешний вид товара.
- предоставить Вам документы на товар: товарный и кассовый чек.
Курьер не производит проверку работы, так как эти действия требуют специальных знаний.
Для всех регионов Российской Федерации цена на товар одинакова. Доставку товара оплачивает покупатель.
После оформления заказа на сайте Вам будет выставлен счет на оплату товара. Счет действителен к оплате в течение трёх календарных дней. На этот срок товар бронируется.
После оплаты счёта пришлите на адрес info@logika.expert копию платёжного поручения, или сообщите об оплате по телефону. Бронирование товара будет продлено. Отгрузка оплаченного товара производится в течение трех рабочих дней с момента поступления денег на наш расчетный счет.
Оформляя заказ с доставкой через транспортные компании, клиент принимает на себя обязательство вовремя получить товар со склада транспортной компании. В случае задержки с получением товара по вине покупателя расходы, связанные с хранением груза на складе транспортной компании, оплачивает сам покупатель.

Условия доставки.
Бесплатная доставка товара собственным автотранспортом по г. Санкт-Петербург осуществляется при покупке на сумму от 30 000 руб в пределах кольцевой автодороги без дополнительной транспортной упаковки. Минимальная стоимость доставляемого товара определяется менеджером по продажам.
Виды доставки:
1. Доставка со склада СПб (в пределах КАД)
2. Доставка со склада обособленного подразделения в границах города нахождения ОП
* Не переживайте, если возникнут спорные моменты мы обязательно свяжемся с вами и уточним их.

Для получения заказа обратитесь к менеджеру.
Виды самовывоза:
1. Самовывоз со склада СПб
2. Самовывоз со склада обособленного подразделения в городе нахождения ОП
* Не переживайте, если возникнут спорные моменты мы обязательно свяжемся с вами и уточним их.

1. Доставка транспортной компанией со склада СПб
- до пункта выдачи транспортной компании в городе нахождения заказчика
- до адресу заказчика "От двери до двери"
2. Доставка транспортной компанией со склада обособленного подразделения
- до пункта выдачи транспортной компании в городе нахождения заказчика
- по адресу заказчика "От двери до двери"
Основная транспортная компания «Деловые Линии»
1. Доставка транспортной компанией со склада СПб
- до пункта выдачи транспортной компании в городе нахождения заказчика
- до адресу заказчика "От двери до двери"
2. Доставка транспортной компанией со склада обособленного подразделения
- до пункта выдачи транспортной компании в городе нахождения заказчика
- по адресу заказчика "От двери до двери"
Основная транспортная компания «Деловые Линии»
Мы не берем дополнительных денег за безналичный расчет.
Для всех регионов Российской Федерации цена на товар одинакова.
Доставку товара оплачивает покупатель.
Рекомендуемые транспортные компании:
|
|
|
|||
| Калькулятор стоимости доставки | Калькулятор стоимости доставки | Калькулятор стоимости доставки |
Список транспортных компаний с которыми мы работаем:
- Деловые Линии,
- Возовоз,
- ПЭК ,
- GTD,
- КурьерСервисЭкспресс,
- EMS
Большая просьба, при оплате наличными приготовить точную сумму денег без сдачи.
- Транспортная Компания "Деловые Линии" - доставка товара до складов транспортной компании в большинстве крупных городов России. Стоимость доставки от нашего склада до склада транспортной компании в Санкт-Петербурге 200 рублей. Доставка компанией «Деловые Линии» это самый недорогой способ доставки по всей России. Подробности, тарифы и список городов: "Деловые Линии".
- Cлужба доставки экспресс-отправлений "EMS Russian Post" – курьерская доставка до двери в кратчайшие сроки по всей России. Подробности и тарифы: "EMS Russian Posts"

